ウィンド・コンパレータの実験

殆どの図や写真は、クリックにより拡大表示できます。

実験概要写真回路図写真書庫
ウィンド・コンパレータ
Window Comparator
(LM2903 単電源)
Window Comparatorの写真 回路図 斜線 出力を Wired OR できる場合。
Vee<Vll<Vin<Vul<Vcc の時LED点灯
ウィンド・コンパレータ
Window Comparator
(BA10358 単電源)
Window Comparatorの写真 回路図 斜線 出力を Wired OR できない場合。
Vee<Vll<Vin<Vul<Vcc の時リレー作動
ウィンド・コンパレータ
Window Comparator
(NJM311 単電源)
Window Comparatorの写真 回路図 波形 コンパレータ1個で実現する。
Vll=R2とR3の分圧、Vul=Vz+Vf
但し、電流が少ないのでVzもVfも規格値よりかなり小さい。
トラ技2008年9月号
Ch1:入力電圧、Ch2:出力電圧
ウィンド・コンパレータ
Window Comparator
(NJM311 両電源)
Window Comparatorの写真 回路図 波形 コンパレータ1個で実現する。
ウィンドは正負に跨る。
トラ技1988年3月号
Ch1:入力電圧、Ch2:出力電圧
ウィンド・コンパレータ
Window Comparator
(LM3900 単電源)
Window Comparatorの写真 回路図 波形 コンパレータ1個で実現する。
電流が少ないのでVzもVfも規格値よりかなり小さい。
トラ技1988年3月号
Ch1:入力電圧、Ch2:出力電圧
(参考)
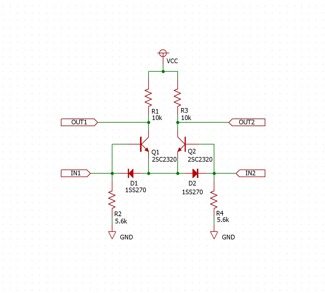
ウィンド・コンパレータ

Window Comparator
(2SC2320)
Window Comparatorの写真 回路図 斜線 IN1がIN2±2Vfの範囲内の時、OUT1=OUT2≒Vcc
トラ技1973年3月号
(参考)
ウィンド・コンパレータ

Window Comparator
(2SA1015-2SC1815)
Window Comparatorの写真 回路図 斜線 VR1が3~9Vの範囲内の時LED点灯

Last updated 3-Mar-2013.

戻る。